High-Performance Electric Valve Actuator for Petro Oil Gas HVAC Applications

Still deciding? Get samples of $ !
Order Sample

Product Description

📊

Basic Information & Overview

Model NO.AKZ
Power SourceElectric Power
TemperatureOrdinary Temperature
ConnectionFlange
MaterialAluminum Alloy
Explosion ProofYes
Battery BackupYes
ApplicationValve/Damper/HVAC
Thermal ProtectionYes
Warranty Time1 Year
Package Size40.0 * 20.0 * 30.0cm
Gross Weight26.000kg
⚙️

Product Description

Multi Turn Electric Actuator Overview
Experience precision and innovation with our intelligent electric actuators. Meticulously engineered with leading design principles, these actuators boast a sleek, non-invasive architecture and feature fully digital integrated chips. Incorporating cutting-edge torque sensor detection, magnetoelectric encoder stroke technology, and a dual-language LCD display. Robust bus network communication technology elevates the control dynamics for sophisticated automation control demands across power, petrochemical, environmental protection, metallurgy, and water treatment sectors.

Core Technologies

  • Absolute Encoder Technology: Equipped with a state-of-the-art absolute encoder capable of detecting up to 4000 turns with 4096 positions resolution.
  • Torque Pressure Sensing: Advanced dynamic, real-time, and high-precision torque detection impervious to frequency or voltage variations.
  • Dual-Display LCD: One-screen dual-display for real-time valve position, alarm alerts, and operational data.
  • Double Seal Protection: IP68 rating, entirely waterproof and dustproof with a 'Double Seal' mechanism.

Comprehensive Protection & Diagnosis

Our systems include automatic phase sequence correction, phase loss protection, and user-defined over-torque protection. Integrated motor stall and valve stuck protection ensure equipment integrity. The Motor Overheat Protection utilizes dual temperature regulators, while Instantaneous Reversal Protection mitigates impact loads on valve stems. All data is preserved via EEPROM for up to 20 years even without power.
📋

Product Parameters

Our multi-rotation intelligent electric actuators offer versatile control types: intelligent switch type and intelligent regulation type. Designed to control stop valves, gate valves, throttle valves, and water gate valves.
Model Output Torque (Nm) Speed (rpm) Voltage (V) Phase Power (KW) Current (A) Weight (KG)
AK18100-15018-4838030.25-0.550.76-1.5430
AK25200-30018-4838030.55-1.51.54-3.6546
AK35500-60018-4838031.5-2.23.65-5.0569
AK40900-120018-3638032.2-4.05.05-8.62190
AKS18100-15018-3622020.21.730
📐

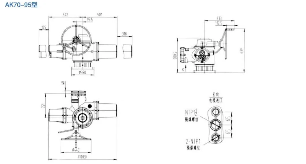
Dimensions & Connections

Actuator Dimensions 1
Actuator Dimensions 2

Flange Connection Specifications

Flange Connection Chart
🏭

Manufacturing & Applications

Facility
Manufacturing Process
Application Display
📜

Certifications & Exhibitions

Product Certifications
Global Exhibitions
Frequently Asked Questions
Do you have any standard international certificates?
Yes, we have ISO9001, ISO14000, CE, UL, and other certifications. Our products also hold various design patents.
How long is the warranty period for this product?
The warranty period is one year, calculated based on the date of manufacture found on the product nameplate.
What is the typical production lead time?
Generally, production takes about 10 days for orders under 50 units and 20 days for orders under 100 units. High-end series may require slightly longer cycles.
What materials are used in the construction of these actuators?
Products are available in aluminum shell (for small, intelligent series) and cast iron shell (for conventional and large-size models requiring higher pressure bearing capacity).
What is the estimated service life of the actuator?
The service life is significantly longer than the valve itself. While related to switching frequency, many of our actuators remain in normal use after more than 10 years on pipelines.
Can internal parts be replaced if damaged?
Yes, parts can be replaced. High-frequency components like limit switches are designed to be replaceable to maintain long-term operation.

Related Products